首页
Home
产品及服务
product&service
关于我们
About Us
新闻动态
News
留言板
Messages
钻采系列
压裂泵及配件
高压流体系列
模具系列
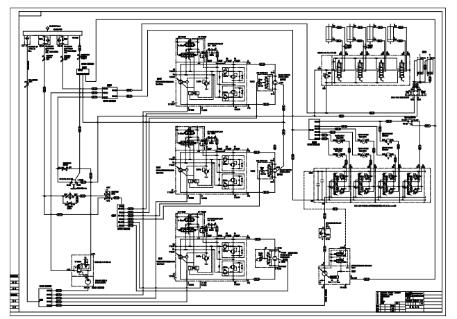
电控系统
液压系统
特种设备
再制造reman
进口配件
企业动态
行业动态
咨询服务热线
0532-68972466
产品详情
分享到:
上一个:
固井车液压系统
下一个:
压裂车液压系统
混砂车液压系统
马上咨询
全金属智能锥形螺杆泵